Influence of circular hole defect on dynamic crack propagation behavior under impact loads
-
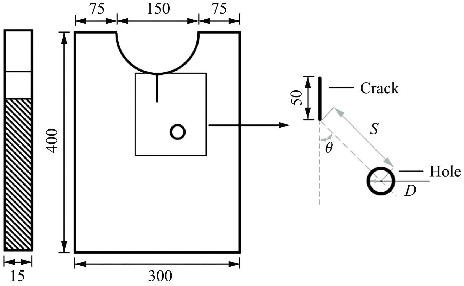
摘要: 空腔和裂纹缺陷通常共存于深部地下岩体中,它们共同影响着岩体的结构安全性与稳定性。为了探究动力扰动载荷下圆形空腔对裂隙岩体内裂纹扩展行为的影响规律,提出了不同圆孔倾角的直裂纹空腔圆弧开口试件(circular opening specimen with straight crack cavity, COSSCC),利用自制大型落锤冲击实验装置进行动态加载实验,同时采用裂纹扩展计系统测试了裂纹的动态起裂时刻与裂纹扩展速度等各种断裂力学参数,随后采用有限差分软件Autodyn进行裂纹扩展路径与圆孔周围应力场的数值分析,并采用有限元软件Abaqus计算裂纹的动态起裂韧度与裂纹扩展过程中的动态扩展韧度。结果表明:(1)当圆孔倾角θ小于10°时,裂纹扩展路径会偏折并穿过圆孔表面;当圆孔倾角θ为20°与30°时,裂纹扩展路径向圆孔方向发生偏折但不会穿过圆孔,圆孔具有明显的裂纹扩展引导作用; 当圆孔倾角θ为40°与50°时,裂纹扩展路径不会发生偏折,圆孔引导作用明显减弱。(2)当裂纹扩展路径达到圆孔空腔附近时,裂纹尖端的拉伸应力区与圆孔边缘的拉伸应力区发生重合,此时裂纹扩展速度显著增大,裂纹动态断裂韧度显著减小。(3)裂纹的偏折方向与裂纹尖端最大周向应力的方向基本一致。(4)裂纹动态断裂韧度始终小于裂纹起裂韧度,且裂纹动态断裂韧度与裂纹动态扩展速度呈负相关关系。裂纹动态扩展速度越大,裂纹动态断裂韧度越小。Abstract: Cavities and crack defects usually coexist in deep earth rock mass structures, which together affect the structural safety and stability of rock masses. In order to study the effect of circular cavity on crack propagation behavior in rock mass under dynamic loads, circular opening specimens with straight crack cavity (COSSCC) specimen were proposed in this study, and a large-scale drop hammer impact device was applied to conduct impact tests. Crack propagation gauges were implemented to measure fracture mechanics parameters, such as dynamic crack initiation time and crack propagation velocity. Then a modified finite difference code Autodyn was applied to carry out the numerical simulation analysis of crack propagation path and stress field around the circular hole. The traditional finite element code Abaqus was also used to calculate the dynamic initiation toughness and dynamic propagation toughness. The results indicate that: (1) when the inclination θ of the circle hole is less than 10°, the crack propagation path deflects and passes through the surface of the circle hole; when the inclination θ of circle hole is 20° and 30°, the crack propagation paths deflects in the direction of the hole but does not pass through the circular hole, indicating that the circular hole has obvious guiding effect on crack propagation; when the inclination θ of circle hole is 40° and 50°, crack propagation path does not deflect, and the guiding effect of the circular hole is obvious weaken. (2) When the crack propagation path reaches the vicinity of the circular hole, the tensile stress zone at the crack tip coincides with the tensile stress zone at the edge of the circular hole. At this time, the crack propagation speed increases significantly, and the dynamic fracture toughness of the crack decreases significantly. (3) The deflection direction of the crack is basically the same as the direction of the maximum circumferential stress at the crack tip. (4) The dynamic fracture toughness of the crack is always smaller than the crack initiation toughness, and the dynamic fracture toughness of the crack has a linear relationship with the dynamic crack growth rate. The larger the dynamic crack growth rate, the smaller the dynamic fracture toughness of the crack.
-
Key words:
- hole defect /
- dynamic loads /
- crack propagation behavior /
- dynamic fracture toughness
-
表 1 各组式样的CPG测试结果
Table 1. CPG test results of each specimens
圆孔偏角θ/(°) 动态起裂时间/μs 裂纹扩展最大速度/(m·s−1) 裂纹扩展平均速度/(m·s−1) 0° 423.2 464.60 281.79 10° 422.1 420.07 274.34 20° 425.6 276.31 235.59 30° 427.8 295.69 238.56 40° 424.4 291.66 254.79 50° 417.8 261.90 228.46 -
[1] WU Q H, WENG L, ZHAO Y, et al. On the tensile mechanical characteristics of fine-grained granite after heating/cooling treatments with different cooling rates [J]. Engineering Geology, 2019, 253: 94–110. DOI: 10.1016/j.enggeo.2019.03.014. [2] 佘诗刚, 林鹏. 中国岩石工程若干进展与挑战 [J]. 岩石力学与工程学报, 2014, 33(3): 433–457. DOI: 10.13722/j.cnki.jrme.2014.03.001.SHE S G, LIN P. Several progress and challenges of Chinese rock engineering [J]. Chinese Journal of Rock Mechanics and Engineering, 2014, 33(3): 433–457. DOI: 10.13722/j.cnki.jrme.2014.03.001. [3] YU L Y, SU H J, JING H W, et al. Experimental study of the mechanical behavior of sandstone affected by blasting [J]. International Journal of Rock Mechanics & Mining Sciences, 2017, 93: 234–241. DOI: 10.1016/j.ijrmms.2017.02.002. [4] FAN X, CHEN R, LIN H, et al. Cracking and failure in rock specimen containing combined flaw and hole under uniaxial compression [J]. Advances in Civil Engineering, 2018: 1–15. DOI: 10.1155/2018/9818250. [5] GONG S X, MEGUID S A. A general solution to the antiplane problem of an arbitrarily located elliptical hole near the tip of a main crack [J]. International Journal of Fracture, 1991, 28(2): 249–263. DOI: 10.1016/0020-7683(91)90209-X. [6] MEGUID S A, WANG X D. The dynamic interaction of a crack with a circular hole under antiplane loading [J]. Journal of the Mechanics and Physics of Solids, 1995, 43(22): 1857–1871. DOI: 10.1016/0022-5096(95)00061-M. [7] 杨仁树, 左进京, 方士正, 等. 圆孔缺陷对爆生裂纹扩展行为影响的试验研究 [J]. 振动与冲击, 2018, 37(12): 174–178. DOI: 10.13465/j.cnki.jvs.2018.12. 026.YANG R S, ZUO J J, FANG S Z, et al. Experimental study on the effect of circular hole defect on the growth behavior of explosive crack [J]. Vibration and Impact, 2018, 37(12): 174–178. DOI: 10.13465/j.cnki.jvs.2018.12. 026. [8] 李盟, 朱哲明, 刘瑞峰, 等. 孔洞对爆生裂纹动态扩展行为影响研究 [J]. 岩土工程学报, 2018, 40(12): 2191–2199. DOI: 10.11779/CJGE201812005.LI M, ZHU Z M, LIU R F, et al. Effect of void on dynamic propagation behavior of explosive crack [J]. Journal of Geotechnical Engineering, 2018, 40(12): 2191–2199. DOI: 10.11779/CJGE201812005. [9] WANG Q Z, FENG F, NI M, et al. Measurement of mode Ⅰ and mode Ⅱ rock dynamic fracture toughness with cracked straight through flattened Brazilian disc impacted by split Hopkinson pressure bar [J]. Engineering Fracture Mechanics, 2011, 78(12): 2455–2469. DOI: 10.1016/j.engfracmech.2011.06.004. [10] WANG M, ZHU Z M, DONG Y Q, et al. Study of mixed-mode Ⅰ/Ⅱ fractures using single cleavage semicircle specimens under impacting loads [J]. Engineering Fracture Mechanics, 2017, 177: 33–44. DOI: 10.1016/j.engfracmech.2017.03.042. [11] JIANG F C, VECCHIO K S. Hopkinson bar loaded fracture experimental technique: a critical review of dynamic fracture toughness tests [J]. Applied Mechanics Reviews, 2009, 62(6): 1469–1474. DOI: 10.1115/1.3124647. [12] LEE D, TIPPUR H, BOGERT P. Dynamic fracture of graphite/epoxy composites stiffened by buffer strips: An experimental study [J]. Composite Structures, 2012, 94(94): 3538–3545. DOI: 10.1016/j.compstruct.2012.05.032. [13] AVACHAT S, ZHOU M. High-speed digital imaging and computational modeling of dynamic failure in composite structures subjected to underwater impulsive loads [J]. International Journal of Impact Engineering, 2015, 77: 147–165. DOI: 10.1016/j.ijimpeng.2014.11.008. [14] 周磊, 朱哲明, 董玉清, 等. 冲击加载下巷道内裂纹的扩展特性及破坏行为 [J]. 爆炸与冲击, 2018, 38(4): 785–794. DOI: 10.11883/bzycj-2016-0383.ZHOU L, ZHU Z M, DONG Y Q, et al. Propagation characteristics and failure behavior of cracks in roadways under impact loading [J]. Explosion and Shock, 2018, 38(4): 785–794. DOI: 10.11883/bzycj-2016-0383. [15] 姚学锋, 熊春阳, 方竞. 含偏置裂纹三点弯曲梁的动态断裂行为研究 [J]. 力学学报, 1996(6): 22–30. DOI: 10.6052/0459-1879-1996-6-1995-385.YAO X F, XIONG C Y, FANG J. Study on dynamic fracture behavior of a three-point bending beam with offset cracks [J]. Acta Mechanica Sinica, 1996(6): 22–30. DOI: 10.6052/0459-1879-1996-6-1995-385. [16] 李清, 杨仁树, 李均雷, 等. 爆炸荷载作用下动态裂纹扩展试验研究 [J]. 岩石力学与工程学报, 2005(16): 2912–2916. DOI: 10.3321/j.issn: 1000-6915.2005.16.017.LI Q, YANG R S, LI J L, et al. Experimental study on dynamic crack propagation under explosive load [J]. Chinese Journal of Rock Mechanics and Engineering, 2005(16): 2912–2916. DOI: 10.3321/j.issn: 1000-6915.2005.16.017. [17] 范亚夫, 魏延鹏, 薛跃军, 等. 数字图像相关测试技术在霍普金森杆加载实验中的应用 [J]. 实验力学, 2015, 30(5): 590–598. DOI: 10.7520/1001-4888-14-273.FAN Y F, WEI Y P, XUE Y J, et al. The application of digital image correlation test technology in Hopkinson bar loading experiment [J]. Experimental Mechanics, 2015, 30(5): 590–598. DOI: 10.7520/1001-4888-14-273. [18] ERARSLAN N, WILLIAMS D J. The damage mechanism of rock fatigue and its relationship to the fracture toughness of rocks [J]. International Journal of Rock Mechanics and Mining Sciences, 2012, 56(12): 15–26. DOI: 10.1016/j.ijrmms. 2012.07.015. [19] FUNATSU T, KURUPPU M, MATSUI K. Effects of temperature and confining pressure on mixed-mode(I-II) and mode II fracture toughness of Kimachi sandstone [J]. International Journal of Rock Mechanics and Mining Sciences, 2014, 67(2): 1–8. DOI: 10.1016/j.ijrmms.2013.12.009. [20] HAERI H, SHAHRIAR K, MARJI M F, et al. Experimental and numerical study of crack propagation and coalescence in pre-cracked rock-like disks [J]. International Journal of Rock Mechanics and Mining Sciences, 2014, 67(4): 20–28. DOI: 10.1016/j.ijrmms.2014.01.008. [21] ALIHA M R M, AYATOLLAHI M R. Rock fracture toughness study using cracked chevron notched Brazilian disc specimen under pure modes I and II loading-A statistical approach [J]. Theoretical and Applied Fracture Mechanics, 2014, 69(2): 17–25. DOI: 10.1016/j.tafmec.2013.11.008. [22] WANG X M, ZHU Z M, WANG M, et al. Study of rock dynamic fracture toughness by using VB-SCSC specimens under medium-low speed impacts [J]. Engineering Fracture Mechanics, 2017, 181: 52–64. DOI: 10.1016/j.engfracmech.2017. 06.024. [23] ZHOU L, ZHU Z M, QIU H, et al. Study of the effect of loading rates on crack propagation velocity and rock fracture toughness using cracked tunnel specimens [J]. International Journal of Rock Mechanics and Mining Sciences, 2018, 112: 25–34. DOI: 10.1016/j.ijrmms.2018.10.011. [24] ZHANG Q B, ZHAO J. Effect of loading rate on fracture toughness and failure micromechanisms in marble [J]. Engineering Fracture Mechanics, 2013, 102(2): 288–309. DOI: 10.1016/j.engfracmech.2013.02.009. [25] ZHANG Q B, ZHAO J. Determination of mechanical properties and full-field strain measurements of rock material under dynamic loads [J]. International Journal of Rock Mechanics and Mining Sciences, 2013, 60(8): 423–439. DOI: 10.1016/ j.ijrmms.2013.01.005. [26] 王蒙, 朱哲明, 胡荣. 基于SCSCC试样的岩石复合型裂纹动态扩展特征研究 [J]. 四川大学学报(工程科学版), 2016, 48(2): 57–65. DOI: 10.15961/j.jsuese.2016.02.009.WANG M, ZHU Z M, HU R. Rock experiments study of crack propagation under I and II mixed-mode dynamic loading using SCSCC specimens [J]. Journal of Sichuan University (Engineering Science Edition), 2016, 48(2): 57–65. DOI: 10.15961/j.jsuese.2016.02.009. [27] 陈庚. 霍普金森杆波形整形技术研究[D].哈尔滨: 哈尔滨工程大学, 2015.CHEN G. Research on Hopkinson Bar Wave Shaping Technology [D]. Harbin: Harbin Engineering University, 2015. [28] 刘德顺, 李夕兵. 冲击机械系统动力学[M]. 北京: 科学出版社, 1999.LIU D S, LI X B. Dynamics of impact mechanical system [M]. Beijing: Science Press, 1999. [29] 郭伟国, 李玉龙, 索涛. 应力波基础简明教程[M]. 西安: 西北工业大学出版社, 2007: 44−52.GUO W G, LI Y L, SUO Tao. A concise course of stress wave foundation [M]. Xi’an: Northwestern Polytechnic University Press, 2007: 44−52. [30] ZHU Z M, XIE H P, MOHANTY B. Numerical investigation of blasting-induced damage in cylindrical rocks [J]. International Journal of Rock Mechanics & Mining Sciences, 2008, 45(2): 111–121. DOI: 10.1016/j.ijrmms.2007.04.012. [31] ZHU Z M, MOHANTY B, XIE H P. Numerical investigation of blasting-induced crack initiation and propagation in rocks [J]. International Journal of Rock Mechanics & Mining Sciences, 2007, 44(3): 412–424. DOI: 10.1016/j.ijrmms. 2006.09.002. [32] 朱哲明, 刘凯, 康骥鸣, 等. 缓慢卸载P波诱发岩体不连续断裂破坏的可能性研究 [J]. 岩石力学与工程学报, 2014, 33(A02): 3948–3955. DOI: 10.13722/j. cnki.jrme.2014.s2.070.ZHU Z M, LIU K, KANG J M, et al. Study on the possibility of rock mass discontinuous fracture induced by slow unloading P-wave [J]. Journal of Rock Mechanics and Engineering, 2014, 33(A02): 3948–3955. DOI: 10.13722/j. cnki.jrme.2014.s2.070. [33] ZHOU L, ZHU Z M, DONG Y Q, et al. Investigation of dynamic fracture properties of multi-crack tunnel samples under impact loads [J]. Theoretical and Applied Fracture Mechanics, 2020, 109: 1–11. DOI: 10.1016/J.TAFMEC.2020.102733. [34] FREUND L B. Dynamic fracture mechanics [J]. Cambridge Monographs on Mechanics and Applied Mathematics, 1992, 72(8): 383–384. DOI: 10.1002/zamm.19920720818. -


下载: